Previous
Next

Reduccion Sin Rosca

Reducción Sin Rosca

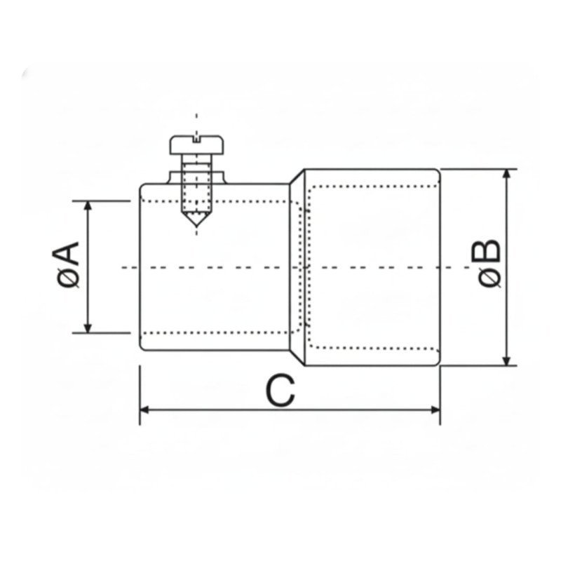
Especificaciones Técnicas (Sin Rosca)

SIN ROSCAøA (mm)øB (mm)C (mm)
3/4" x 1/2" 21.3 26.0 50.0
1" x 1/2" 21.3 32.5 50.0
1" x 3/4" 26.9 32.5 55.0
SKU 56125/002 Categoría Conectores Marca Tramontina Eletrik
Medida
Acabado Sin Pintura
La unidad de venta para este producto es 36.

Presentando la solución para unir electroductos de diferentes diámetros, la reducción sin rosca Tramontina en aluminio sin pintura ofrece calidad superior.

Su diseño sin rosca facilita la instalación en sistemas aparentes, garantizando la confianza de alta resistencia mecánica y a la corrosión, lo que se traduce en cuidado y longevidad para su red eléctrica.

Diseñada para instalaciones eléctricas superficiales en fábricas, comercios y residencias, la Reducción en Aluminio sin Rosca (Acabado sin Pintura) es una solución eficiente y práctica, ya que prescinde de romper paredes.

-Fabricada en aluminio, ofrece elevada resistencia mecánica y a la corrosión.

-Su ejecución es simple y el producto incluye tornillo para instalación en el electroducto.

-Los conductos utilizados en las reducciones sin rosca deben cumplir con las normas ABNT NBR 14334, NBR 5624, NBR 13057, NBR 5597, NBR 5598 y NBR 15465 (NBR 5597 y NBR 5598 en la dimensión nominal mínima).

Consultanos

Descripción